3402813
Диф.реле 2-п ETI 10kA AC EFI-2 40/0,5A 2065123
-
- Доставка
- Самовывоз из магазина
- По Киеву: 1-2 дня
- По Украине: по тарифам перевозчика
- Наличными при получении
- Оплата банковской картой
- Приват 24
- Безналичный расчет для предприятий
- Консультации профессионалов
- Оригинальная продукция
- Официальная гарантия
- Возврат в течении 14 дней
-
Смотрите актуальные серии
- Код поставщика:2065123
- Производитель:ETI
- Тип устройства:Дифреле
- Количество полюсов:2-п
- Тип:AC
- Ток утечки:500 mA
- Номинальный ток, А:40
- Страна производства:Словения
- Доставка
-
Описание
Дифференциальные реле EFI (ETi) применяются в целях защиты оборудования от возможного возникновения пожара в результате повреждения изоляции кабеля (провода).
Тип: АС (чувствителен к переменному (синусоидальному) току утечки.
Сеть: однофазная.
Количество полюсов: 2.
Номинальный ток, А: 40.
Ток утечки: 500mA. Читать полностьюХарактеристики
- Тип устройства: Дифреле
- Количество полюсов: 2-п
- Назначение: Противопожарное
- Максимальная отключающая способность, кА: 10
- Тип: ?AC
- Ток утечки: 500 mA
- Номинальный ток, А: 40
- Страна производства: Словения
Дифференциальные реле EFI (ETi) применяются в целях защиты оборудования от возможного возникновения пожара в результате повреждения изоляции кабеля (провода).
Тип: АС (чувствителен к переменному (синусоидальному) току утечки.
Сеть: однофазная.
Количество полюсов: 2.
Номинальный ток, А: 40.
Ток утечки: 500mA.Монтаж дифреле EFI
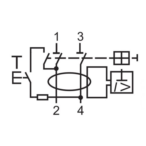
Дифференциальное реле можно использовать в любой электрической сети, в которой предохранительный и нулевой провода не соединяются, в том числе в сети с типом заземления: TN-S, TN-S-C, TT, IT.
Монтируются дифреле EFI на монтажную рейку типа EN50022 (размер 35 мм).Подключение
Вводный провод можно подключать сверху или снизу устройства EFI.

Максимальные величины сопротивления заземления

Время отключения < 0,04 сек.
Эксплуатация
Условия для правильной работы дифреле EFI:
- Фазный и нейтральный провода необходимо провести через предохранительный автоматический выключатель необходимого номинала.
- Нейтральный проводник необходимо изолировать сзади таким же способом, как и фазный, в обратном случае существует возможность ложного срабатывания.
- Сопротивление заземления не должно превышать нормируемой величины.
Кнопка «ТЕСТ»
Дифференциальный выключатель EFI необходимо проверять не менее одного раза в пол года. При нажиме на кнопку «Т» (ТЕСТ) выключатель должен сработать (отключить сеть).

- Помощь в подборе товаровНаши специалисты помогут вам
подобрать лучший для вас товар - 067 234-30-03044 205-44-00050 443-17-62093 371-81-88





